产品展示PRODUCT LIST
联系我们contact us
- 济宁卓力机械刮板机分公司
- 手机:13280082001
- 联系人:曹经理
- 电话:0537-2558089
- 邮箱:269628658@qq.com
- 地址:济宁市国家高新技术产业园区
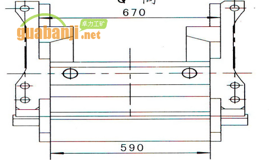
刮板机过渡槽(过渡节,连接槽)
来源:本站 发布时间:2019-02-13 访问量:3856
过渡槽,也叫过渡节、连接槽、刮板机过渡槽、伟德国际韦德1946过渡槽、溜子过渡槽,适用于煤矿井下用630、730、764等系列伟德国际韦德1946。
过渡槽作用
①过渡槽主要作用是连接机头架和抬高变线槽, 调节机头架和抬高槽的高度差。
综采过渡槽长 3000mm,一端靠两个定位销及四个片哑铃与机头架相连, 另一端通过哑铃销与抬高变线槽相连。
②刮板机过渡槽一端连接刮板机的机头,一端连接刮板机中部槽,起到高度上过渡,长度上连接的作用。
过渡槽用于连接机头和中部段,使得刮板由中部段到机头较平稳运行,以适应卸载高度的要求,并成为推溜、拉架的支承体。
为适应刮板链从中部槽平缓运行到机头链轮,在中部槽与机头架之间设有过渡槽,过渡槽是一种两端高度不同的溜槽,与中部槽和机头架联接端的上槽帮内缘处用碳弧堆焊1.5~2mm厚耐磨合金块,耐磨块磨损后,可向厂家购买并更换。
过渡槽分类
过渡槽按主机厂可以分为:张家口煤机过渡槽、山东矿机过渡槽、山西煤机厂过渡槽、西北奔牛过渡槽、郑煤机过渡槽等。
按使用位置可以分为:机头过渡槽、机尾过渡槽。
按使用机型可以分为:630、730、764、800、830、900、1000、1200、1250、1400等过渡槽。
济宁卓力刮板机生产厂家优质供应:刮板机输送机过渡槽 机头过渡槽 刮板机过渡槽 伟德国际韦德1946过渡槽 溜子过渡槽 S002-06左过渡槽I S002-05左过渡槽II 105SP型刮板机用过渡槽 150C伟德国际韦德1946过渡槽 大过渡槽 40TX过渡槽 小40过渡槽 SGB420/40TX过渡槽 小40过渡槽 煤溜子过渡槽 刮板机过渡槽 小40伟德国际韦德1946过渡节 30过渡槽 30溜过渡节 煤矿机头过渡槽 30型溜子过渡槽 22过渡槽 22中单链伟德国际韦德1946过渡槽 SGD420/22型刮板机过渡槽 此外还有113S08/0603型张家口SGZ764/500型过渡槽、103S07/0205型张家口型SGZ764/400型刮板机过渡槽、201S05/0102型张家口SGZ1000/1050型后部刮板机过渡槽等。
22型过渡槽,适用于煤矿井下用SGD420/22型中单链伟德国际韦德1946。
30型过渡槽、30T型过渡槽,适用于煤矿井下用SGB420/30型伟德国际韦德1946。
小40过渡槽,也叫小40过渡节,适用于煤矿井下用SGB420/40TX、SGB420/40T型伟德国际韦德1946。
SGZ630/220型综采刮板机机头过渡槽,适用于煤矿井下用SGZ630/220型刮板机。
150C型过渡槽,适用于煤矿井下用SGB630/150C型伟德国际韦德1946,150C型过渡槽,正常机型分大过渡、二节过渡,由于厂家不同,生产尺寸会有区别。
105SP型刮板机用过渡槽,适用于SGZ764/500型刮板机。该型号综采过渡槽理论重量4.5吨, 一端靠定位销及螺栓与机头架相连,另一端通过联接环与变线抬高槽相连。
S002-06左过渡槽I,适用于煤矿井下用伟德国际韦德1946。它一端与机头架连接,一端与抬高槽连接。
S002-05左过渡槽II,适用于煤矿井下综采伟德国际韦德1946,位于机头架与变线抬高槽之间。
86SFC01过渡槽 是宁夏天地奔牛630刮板机上用过渡槽,它一端连接刮板机的机头,一端连接刮板机中部槽,起到高度上过渡,长度上连接的作用。
86SFC08过渡槽 该型号机头过渡槽,原主机厂是宁夏天地奔牛,适用于煤矿井下用SGZ630/264型刮板机。用于连接机头和中部槽。
63GH01型号机头过渡槽,原主机厂是宁夏天地奔牛,适用于煤矿井下用SGZ630/264型刮板机,用于连接机头和中部槽。
63GH02机尾过渡槽,适用于煤矿井下用SGZ630/264型刮板机。用于连接中部槽和机尾。
此外还有113S08/0603型张家口SGZ764/500型过渡槽、103S07/0205型张家口型SGZ764/400型刮板机过渡槽、201S05/0102型张家口SGZ1000/1050型后部刮板机过渡槽等。



过渡槽作用
①过渡槽主要作用是连接机头架和抬高变线槽, 调节机头架和抬高槽的高度差。
综采过渡槽长 3000mm,一端靠两个定位销及四个片哑铃与机头架相连, 另一端通过哑铃销与抬高变线槽相连。
②刮板机过渡槽一端连接刮板机的机头,一端连接刮板机中部槽,起到高度上过渡,长度上连接的作用。
过渡槽用于连接机头和中部段,使得刮板由中部段到机头较平稳运行,以适应卸载高度的要求,并成为推溜、拉架的支承体。
为适应刮板链从中部槽平缓运行到机头链轮,在中部槽与机头架之间设有过渡槽,过渡槽是一种两端高度不同的溜槽,与中部槽和机头架联接端的上槽帮内缘处用碳弧堆焊1.5~2mm厚耐磨合金块,耐磨块磨损后,可向厂家购买并更换。
过渡槽分类
过渡槽按主机厂可以分为:张家口煤机过渡槽、山东矿机过渡槽、山西煤机厂过渡槽、西北奔牛过渡槽、郑煤机过渡槽等。
按使用位置可以分为:机头过渡槽、机尾过渡槽。
按使用机型可以分为:630、730、764、800、830、900、1000、1200、1250、1400等过渡槽。
济宁卓力刮板机生产厂家优质供应:刮板机输送机过渡槽 机头过渡槽 刮板机过渡槽 伟德国际韦德1946过渡槽 溜子过渡槽 S002-06左过渡槽I S002-05左过渡槽II 105SP型刮板机用过渡槽 150C伟德国际韦德1946过渡槽 大过渡槽 40TX过渡槽 小40过渡槽 SGB420/40TX过渡槽 小40过渡槽 煤溜子过渡槽 刮板机过渡槽 小40伟德国际韦德1946过渡节 30过渡槽 30溜过渡节 煤矿机头过渡槽 30型溜子过渡槽 22过渡槽 22中单链伟德国际韦德1946过渡槽 SGD420/22型刮板机过渡槽 此外还有113S08/0603型张家口SGZ764/500型过渡槽、103S07/0205型张家口型SGZ764/400型刮板机过渡槽、201S05/0102型张家口SGZ1000/1050型后部刮板机过渡槽等。
22型过渡槽,适用于煤矿井下用SGD420/22型中单链伟德国际韦德1946。
30型过渡槽、30T型过渡槽,适用于煤矿井下用SGB420/30型伟德国际韦德1946。
小40过渡槽,也叫小40过渡节,适用于煤矿井下用SGB420/40TX、SGB420/40T型伟德国际韦德1946。
SGZ630/220型综采刮板机机头过渡槽,适用于煤矿井下用SGZ630/220型刮板机。
150C型过渡槽,适用于煤矿井下用SGB630/150C型伟德国际韦德1946,150C型过渡槽,正常机型分大过渡、二节过渡,由于厂家不同,生产尺寸会有区别。
105SP型刮板机用过渡槽,适用于SGZ764/500型刮板机。该型号综采过渡槽理论重量4.5吨, 一端靠定位销及螺栓与机头架相连,另一端通过联接环与变线抬高槽相连。
S002-06左过渡槽I,适用于煤矿井下用伟德国际韦德1946。它一端与机头架连接,一端与抬高槽连接。
S002-05左过渡槽II,适用于煤矿井下综采伟德国际韦德1946,位于机头架与变线抬高槽之间。
86SFC01过渡槽 是宁夏天地奔牛630刮板机上用过渡槽,它一端连接刮板机的机头,一端连接刮板机中部槽,起到高度上过渡,长度上连接的作用。
86SFC08过渡槽 该型号机头过渡槽,原主机厂是宁夏天地奔牛,适用于煤矿井下用SGZ630/264型刮板机。用于连接机头和中部槽。
63GH01型号机头过渡槽,原主机厂是宁夏天地奔牛,适用于煤矿井下用SGZ630/264型刮板机,用于连接机头和中部槽。
63GH02机尾过渡槽,适用于煤矿井下用SGZ630/264型刮板机。用于连接中部槽和机尾。
此外还有113S08/0603型张家口SGZ764/500型过渡槽、103S07/0205型张家口型SGZ764/400型刮板机过渡槽、201S05/0102型张家口SGZ1000/1050型后部刮板机过渡槽等。





打印页面
关闭窗口